欢迎来到舜德不锈钢有限公司官方网站!
服务热线:027-83893889

乐竞竞技
微信服务号微信服务号

行业新闻
当前位置:首页 > 新闻资讯 > 行业新闻

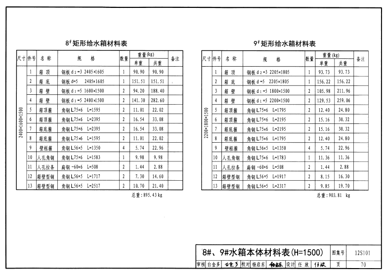
不锈钢消防水箱图集
来源:本站   点击:12588   时间:2018-10-03
   

点击全册:不锈钢水箱图集 12S101

 

 

不锈钢消防水箱图集

 

 

不锈钢消防水箱图集(形体图)

 

 

 

 

 

 

 

 

 

 

 

不锈钢消防水箱图集(选用表)

相关资讯

    联系我们
    电话:027-83893889
     
    手机:15926221333 王经理
     
    电话:027-83893889
     
    传真:027-83386079
     
    Q Q:7748867
     
    邮箱:wwxpp@126.com
     
    工厂地址:武汉市东西湖区吴家山田园大道新城十四路
    Baidu
    map