行业新闻
保温水箱 图集12S101
来源:本站 点击:14426 时间:2019-09-15
点击:不锈钢水箱图集 12S101
保温水箱图集12S101 ( 外形图)

保温水箱图集12S101 ( 选用表一)

保温水箱图集12S101 ( 选用表二)

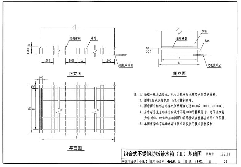
不锈钢保温水箱图集12S101 ( 基础图)

点击:不锈钢水箱图集 12S101
保温水箱图集12S101 ( 外形图)

保温水箱图集12S101 ( 选用表一)

保温水箱图集12S101 ( 选用表二)

不锈钢保温水箱图集12S101 ( 基础图)
