公司动态
12S101不锈钢消防水箱图集
来源:本站 点击:4214 时间:2019-09-21
点击下载:不锈钢水箱图集 12S101
12S101 不锈钢消防水箱图集(外形图)

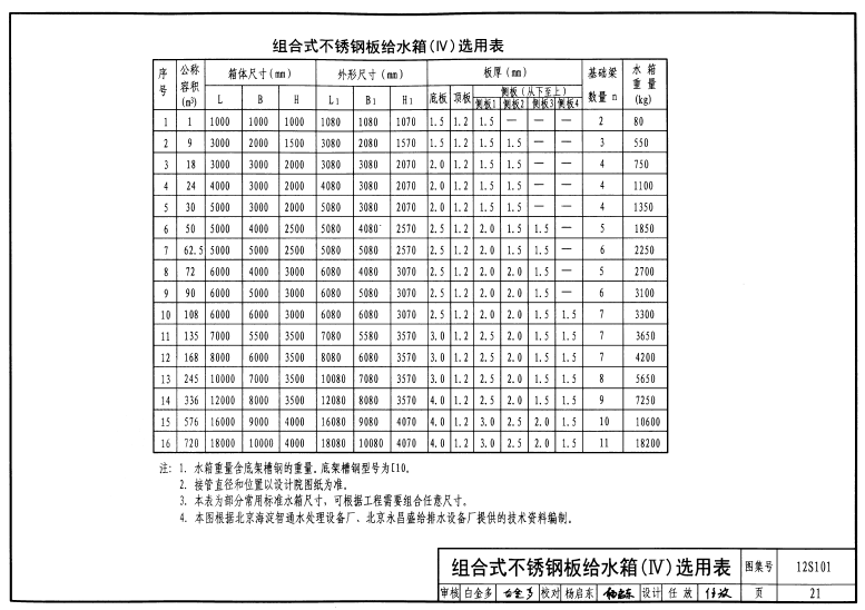
12S101 不锈钢消防水箱图集(选用表)



12S101 不锈钢消防水箱图集(标准板)

12S101 不锈钢消防水箱图集(基础图)

点击下载:不锈钢水箱图集 12S101
12S101 不锈钢消防水箱图集(外形图)

12S101 不锈钢消防水箱图集(选用表)



12S101 不锈钢消防水箱图集(标准板)

12S101 不锈钢消防水箱图集(基础图)
