公司动态
12S101组合式不锈钢水箱图集 第一册
来源:本站 点击:6478 时间:2016-09-13
点击全册:不锈钢水箱图集 12S101 PDF格式
12S101组合式不锈钢水箱图集(外形图)

12S101组合式不锈钢水箱图集(选用表)

12S101组合式不锈钢水箱图集(标准标)

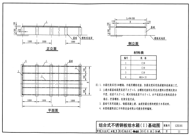
12S101组合式不锈钢水箱图集(基础图)

点击全册:不锈钢水箱图集 12S101 PDF格式
12S101组合式不锈钢水箱图集(外形图)

12S101组合式不锈钢水箱图集(选用表)

12S101组合式不锈钢水箱图集(标准标)

12S101组合式不锈钢水箱图集(基础图)
