消防水箱图集 12S101
来源:本站 点击:44426 时间:2019-08-25
点击:不锈钢水箱图集 12S101 全册


不锈钢消防水箱图集 12S101 (外形图):

不锈钢消防水箱图集 12S101 (选用表一):

不锈钢消防水箱图集 12S101 (标准板):

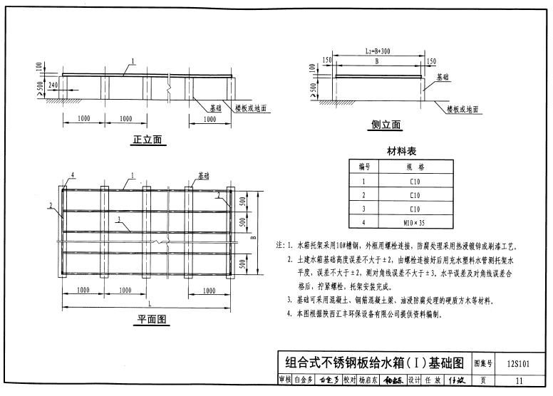
不锈钢消防水箱图集 12S101 (基础图):

不锈钢消防水箱图集 12S101 (外形图):

不锈钢消防水箱图集 12S101 (选用表二):

不锈钢消防水箱图集 12S101 (标准板):

不锈钢消防水箱图集 12S101 (选用表二):

不锈钢消防水箱内人梯图集:

不锈钢消防水箱外人梯图集:

不锈钢消防水箱人孔图集:

消防水箱配管接头安装图集:

消防水箱溢流管透气管安装图集:

消防水箱玻璃管液位计安装图集:

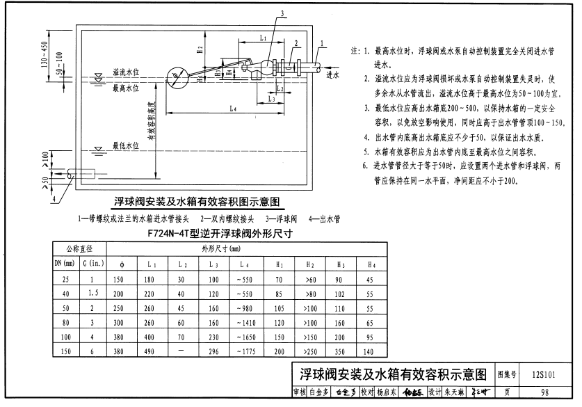
消防水箱浮球阀安装图集:

消防水箱一般采用钢板、钢筋混凝土、玻璃钢制作。钢板水箱施工安装方便,但易锈蚀,内外表面都应做防腐处理。钢板水箱的造型可参考国家标准图集。钢筋混凝土水箱适合大型水箱,经久耐用、维护简单、造价较低,但自重大,与管道连接不好时易漏水。不锈钢水箱质量轻、强度高、耐腐蚀、造型美观,安装维修方便,大容积水箱可现场组装,因而得到普遍采用。
常用消防水箱的形状有矩形、方形不锈钢水箱:
水箱应设进水管、出水管、溢流管、泄水管、水位信号装置外爬梯等附件。
(1)进水管:水箱进水管一般从侧壁接入,也可以从底部或顶部接入。 当水箱利用管网压力进水时,其进水管出口处应设浮球网或液压阀。浮球阀一般不少于2个。浮球网直径与进水管直径相同,每个浮球阀前应装有检修阀门。
(2)出水管:水箱出水管可从例壁或底部接出。从侧壁接出的出水管内底或从底部接出时的出水管口顶面,应高出水箱底50 mm。出水管口应设置闸阎。
水箱的进、出水管宜分别设置,当进、出水管为同一条管道时,应在出水管上装设止回阀。当需要加装止回同时,应采取阻力较小的旋启式止回阀代替升降式止回阀,且标高应低于水箱低水位1m以上。生活与消防合用一个水箱时,消防出水管上的止回阎应低于生活出水虹吸管的管顶(低于此管顶时,生活虹吸管的真空被破坏,只保证消防出水管有水流出)至少2m,使其具备一定的压力推动止回阀。当火灾发生时,消防贮备水量才能真正发挥作用。
消防和生活合用水箱除了确保消防贮备水量不做它用的技术措施。
(3)溢流管:水箱溢流管可从侧壁或底部接出,其管径血按排泄水箱大入流量确定,并宜比进水管大l一2号。溢流管上不得安装阀门。溢流管不得与排水系统直接连接,必须采用间接排水,溢流管上应有防正尘土、昆虫、蚊蝇等进入的措施,如设置水封、滤网等。
(4)泄水管:水箱泄水管应自底部低处接出。泄水管消防和生活台用水箱上装有闸阀(不应装截让阀),可与溢流管相接,但不得与排水系统直接连接。泄水管管径在无特殊要求下,管径一般采用DN50。
(5)通气管:供生活饮用水的水箱应设有密封箱盖,箱盖上应没有检修入孔和通气管。通气管可伸至室内或室外,但不得伸到有害气体的地方,管口应有防止灰尘、昆虫和蚊蝇进入的滤网,一般应将管口朝下设置。通气管上不得装设阀门、水封等妨碍通气的装置。通气管不得与排水系统和通风道连接。通气管一般采用DN50的管径。
(6)液位计:一般应在水箱侧壁上安装玻璃液位计,用于就地指示水位。在—个液位计长度不够时,可上下安装2个或多个液位计。相邻2个液位计的重叠部分,不宜少于70 mm。若在水箱未装液位信号计时,可设信号管给出溢水信号。信号管一般自水箱侧壁接出,其设置高度应使其管内底与溢流管底或喇叭口溢流水面平齐。管径一般采用DNl5信号管可接至经常有人值班房间内的洗脸盆、洗涤盆等处。若水箱液位与水泵连锁,则在水箱侧壁或顶盖上安装液位继电器或信号器,常用的液位继电器或信号器有浮球式、杆式、电容式与浮平式等。
水泵压力进水的水箱的高低电挂水位均应考虑保持一定的安全容积,停泵瞬时的高电控水位应低于溢流水位100 mm,而开泵瞬时的低电控水位应高于设计低水位20mm,以免由于误差而造成溢流或放空。
(7)水箱盖、内外爬梯及其他有关附件,可参考《给水排水标准图集12S101》制作及安装。