专题
12S101 不锈钢水箱图集全册 点击
消防水箱基础图集中可以了解什么?不锈钢消防水箱在消防当中的作用是很大的,这种水箱的作用是很大的。如今,会有不锈钢消防水箱基础图集,如果想要了解一些消防水箱知识,就可以在基础图集当中去了解。那么,不锈钢消防水箱基础图集当中可以了解什么?
能够知道消防水箱的外形:消防水箱有一定的外形,如果想要购买这种水箱就一定了解水箱的外形,基础图集当中会有这些水箱的外形。所以,想要买到靠谱的消防水箱,直接在图集当中去了解是很重要的。
知道消防水箱的基本参数:不管什么类型的水箱都会有一定的参数,按照正确的参数去选择消防水箱是很靠谱的。该水箱基础图集当中会将水箱的参数都写清楚,所以选择消防水箱的时候多去了解基础图集是很好的。
能够知道水箱的基本材质:消防水箱的制作材质是很重要的,但是想要了解材质就一定要通过正确的方法去了解。消防水箱基础图集当中会有消防水箱的制作材质,如果想要知道材质的话就可以在这些地方去了解。
总之,关注消防水箱基础图集是很重要的,这种图集还能够给购买者带来一些好处。所以,为了成功的去购买一个好的消防水箱,就需要在购买之前多去了解一下消防水箱基础图集,仔细的去研究消防水箱基础图集,就能够买到有用的消防水箱,然后给生活带来一些便利,并且能够避免一些不好的事情出现。
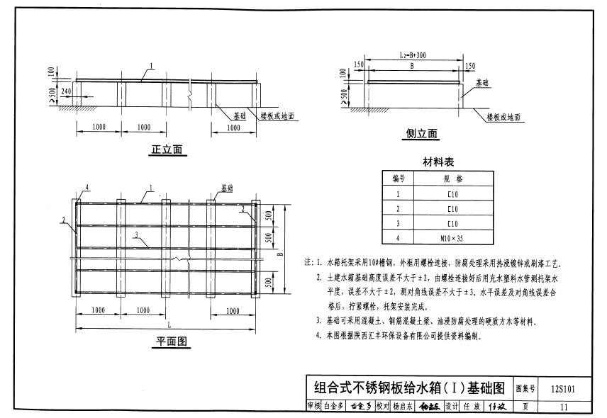
组合式不锈钢板给水箱(一)基础图:

组合式不锈钢板给水箱(二)基础图:

组合式不锈钢板给水箱(三)基础图:

组合式不锈钢板给水箱(四)基础图:

组合式不锈钢助板给水箱(一)基础图:

组合式不锈钢助板给水箱(二)基础图:

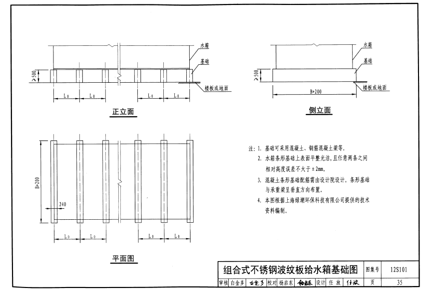
组合式不锈钢波纹板给水箱基础图:

装配式给水箱(一)基础图:

装配式SMC给水箱基础图:

水箱选用简图:


微信服务号
鄂公网安备 42011202000782号